MV Bushings 400SFR-P

Description

Description

Standards

  • Product
    CENELEC EN 50180
  • International
    IEC 60137

Application

For use in equipment insulated with SF6 gas.

Technical characteristics

Each bushing is tested for AC withstand and partial discharge prior to leaving the factory.

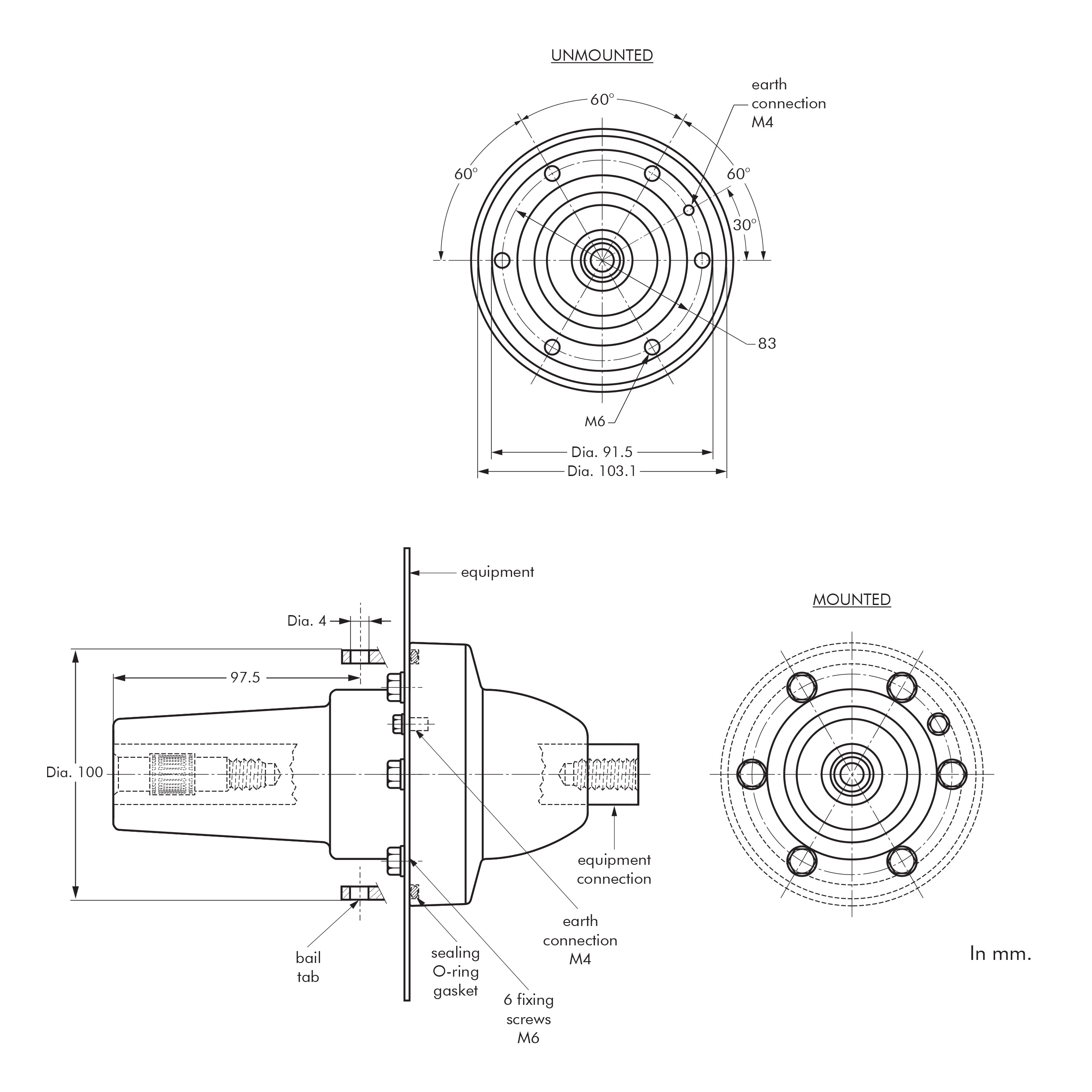
Design 400SFR-P

Drawings 400SFR-P

Characteristics

Characteristics

Electrical characteristics

Electrical characteristics

Rated Voltage Uo/U (Um)
-
Rated current
- A

Usage characteristics

Usage characteristics

Field of application
-
Interface
-

Resources

Resources

Selling & delivery Information

The range presented in this page is a broad picture of all the products. For more detailed information about product characteristics, please reach for your representative.

Contact us

Topics on which you wish to get more informations:

Required fields*

Please check your entry and try again.

An email address must contain a single @

Personal data protector

You have the right to object to the processing of your personal data and/or their use for direct marketing or commercial purposes

Thank you!

Thanks for contacting us. We will be in touch with you shortly.

Error

An error occurred. Please try again.

Close